г. Павлодар, ул. Суворова д.13, 102 офис
Осуществляем Проектирование и монтаж оборудование во всех регионах
тел: +7 702 640 8142, +7 777 935 3320
email: pogosan100@yandex.ru
Астана Улица Каныш Сатпаев, 20
+7 707 389 9272, +7 702 535 2835email: bass_2012@inbox.ru
г. Петропавловск ул. Ауэзова 148
+7 702 640 8142, +7 777 924 7212
Система туманообразования и увлажнения воздуха
Оборудование для фонтанов✓ и прудов✓
Химия для бассейнов Маркопул ✓
Оборудование для бассейнов Dinotec
Оборудование для бассейнов ASTRAL
Сборно разборные бассейны Summer✓ и Azuro✓
Оборудование для Бассейнов ESPA
Дозирующие Оборудование ETATRON D S ✓
Оборудование озонирование воды и воздуха
Оборудование Бассейнов FIBERPOOL Glong и Pool King
Оборудование Общественных Спортивных Бассейнов ✓
Оборудование для бассейнов Маркопул
Оборудование для физиотерапии и реабилитации Гидротерапия
MAPEI КТТРОН Гидроизоляция и защиты бетонна, затирка и клей
Оборудование для Wellness и SPA центров
Хронометраж для спорта, судейские системы, таймеры, табло, видео-экраны.
Оборудование для саун Harvia Харвия
Теплообменник 126кВт Max Dapra D-KWT-AISI 105 корпус пластик гофр. спираль н/с (100804)
Теплообменник 91кВт Max Dapra D-KWT-AISI 85 корпус пластик гофр.спираль н/с (100803)
Теплообменник 84кВт Max Dapra D-TWT 65 корпус титан спираль титан (100137)
Теплообменник 84кВт Max Dapra D-HWT 65 корпус н/с спираль н/с AISI 316 (100102)
Теплообменник 63кВт Max Dapra D-HWT 54 корпус н/с спираль н/с AISI 316 (100121)
Теплообменник 46кВт Max Dapra D-KWT-AISI 45 корпус пластик гофр.спираль н/с (100802)
Теплообменник 42кВт Max Dapra D-HWT 35 корпус н/с спираль н/с AISI 316 (100101)
Теплообменник 28кВт Max Dapra D-HWT 24 корпус н/с спираль н/с AISI 316 (100125)
Теплообменник 25кВт Max Dapra D-KWT-AISI 25 корпус пластик гофр.спираль н/с (100801)
Теплообменник 14кВт Max Dapra D-HWT 12 корпус н/с спираль н/с AISI 316 (100119)
Вентиль Gemas 6-позиционный боковой 2 1/2" (022130001)
Вентиль Gemas 6-позиционный боковой 1 1/ 2" (02400T)
Стойки указателей фальстарта Gemas H=1,8м D=42мм (2шт.) AISI 304 +шнур+поплавки (басс. 25м) (14322)
Стойки указателей поворота Gemas H=1,8м D=42мм (2шт.) AISI 304 +шнур+флажки (басс. 25м) (14312)
Стойка крепления разделительных дорожек Gemas AISI 304 (14620)
Стартовая тумба Gemas H=700мм AISI 304 (14121)
Стартовая тумба Gemas H=700мм AISI 304 (14111)
Разделитель дорожек Gemas МОСКВА 50м (14532)
Разделитель дорожек Gemas МОСКВА 25м Gemas (14531)
Горизонтальное анкерное крепление Арт.: 40566
Материал: пластик
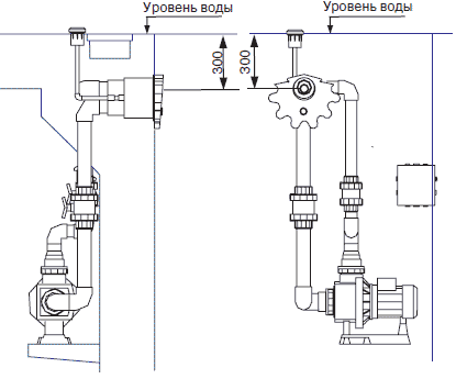
В комплекте: циркуляционный насос, щит управления с пневмовключением, закладной элемент, соединительные фитинги.
Трубы ПВХ приобретаются отдельно, в зависимости от технических условий монтажа.
Материал: пластик
В комплекте: циркуляционный насос, щит управления с
пневмовключением, закладной элемент, соединительные
фитинги.

Чертеж показан с использованием дополнительной арматуры

Kripsol (Испания) был основан в 1987г. и производил насосы и фильтры для частных и общественных бассейнов. Продукция Крипсола известна своим современным дизайнером, высоким качеством и конкурентными ценами. Крипсол постоянно представляет свою новую продукцию обновляя ассортимент, чтобы наиболее полно удовлетворить спрос потребителя.
У нас Вы можете заказать Противоток (78 м3/ч 380В 4.5 кВт) (плитка) HIDROJET JSH-78 (комплект) Для этого Вы можете воспользоваться формой электронного заказа на сайте, либо связаться с нашими сотрудниками 702 640 8142, +7 707 389 9272, +7 701 952 0952
Наш сайт представляет Вам возможность сделать Заказ на расчет сметы для вашего фонтанов!
Павлодар, ул. Суворова д.13, 102 офис
Корзина пуста
14.02.2026 Проект цвета музыкального фонтана, г. Петропавловск на против драм театра имени Погодина
14.09.2025 Строительство цвета музыкального фонтана в г. Петропавловск на против Областного Акимата.
16.11.2024 Строительство Фонтана по пересечении ул. Ломова-Ак. Сатпаева в городе Павлодар